Concept Coffee Table
This table was designed for my mother and family, who wanted a bold and distinctive centerpiece for the living room. The design was guided by a series of practical and aesthetic requests: my mother asked for a discreet under–tabletop compartment to store TV remotes and accessories; my father suggested integrating a bookshelf; and together, they envisioned areas suitable for displaying a plant or serving food, drinks, and small snacks.

My Design
To meet these needs, I developed a two-level structure that keeps each function clearly defined while maintaining a cohesive form. The upper level serves as the main tabletop for everyday use and entertaining, while the lower section accommodates a planter, introducing a touch of greenery into the living space. The L-shaped tabletop was intentionally designed to complement the layout of the living room’s sofa arrangement, ensuring both visual harmony and functional accessibility.

This project has become one of my personal favorites. Since its creation, I’ve continued to explore alternative materials and finishes that could reinterpret the design — such as poured resin incorporating recycled glass or ceramic fragments, concrete bases for added stability, or wooden and glass tabletops for different aesthetic and tactile qualities.
Renders By @aurel.otb 
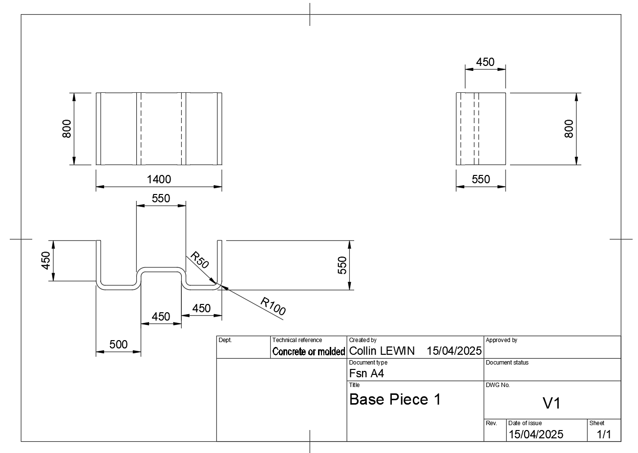
Technical Specifications
The base is designed to be cast in fiber-reinforced concrete, providing a heavy, stable foundation that allows for the slim, cantilevered profile of the table. By choosing a casting process, I’ve optimized for easier manufacturing and lower material costs compared to solid stone or metal. The assembly is designed to be modular, allowing the 12mm tempered glass top to be detached for easier shipping.

You may also like

Back to Top